|
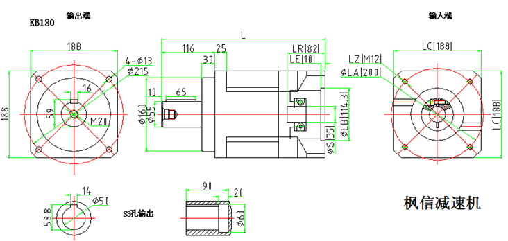
配备电机 |
LA |
LZ |
S |
LR |
LB |
LE |
LC |
L1(一级传动) |
L2(二级传动) |
L3(三级传动) |
|
3000W |
200 |
4-M12 |
35F7 |
82 |
114.3H7 |
10 |
188 |
320 |
368 |
413 |
|
4200W |
215 |
4-M12 |
38/42F7 |
115 |
180H7 |
10 |
188 |
340 |
388 |
433 |
|
7500W |
235 |
4-M12 |
55F7 |
120 |
200H7 |
10 |
220 |
342 |
390 |
435 |





