|
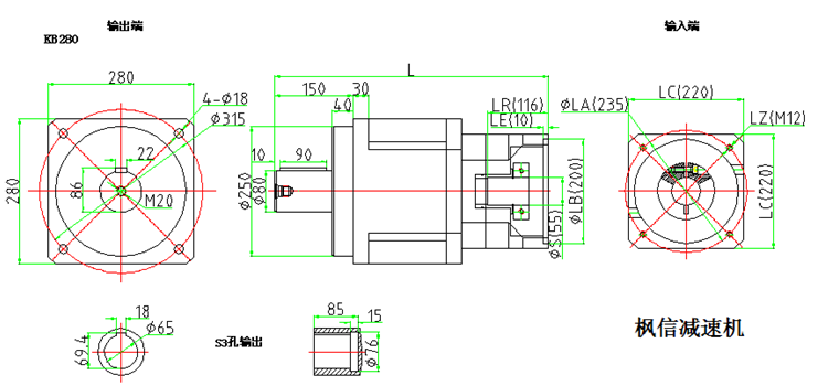
配备电机 |
LA |
LZ |
S |
LR |
LB |
LE |
LC |
L1(一级传动) |
L2(二级传动) |
L3(三级传动) |
|
4200W |
215 |
4-M12 |
38/42F7 |
116 |
180H7 |
10 |
188 |
400 |
488 |
568 |
|
7500W |
235 |
4-M12 |
55F7 |
116 |
200H7 |
10 |
220 |
400 |
488 |
568 |
|
11000W |
265 |
4-M12 |
55F7 |
116 |
230H7 |
10 |
250 |
400 |
488 |
568 |
|
15000W |
300 |
4-M12 |
60F7 |
140 |
250H7 |
10 |
285 |
430 |
520 |
|





