| 配备电机 | LA | LZ | S | LR | LB | LE | LC | L1(一级传动) | L2(二级传动) | L3(三级传动) |
| 2000W | 145 | 4-M8 | 22(F7) | 65 | 110(H7) | 10 | 150 | 280 | 326 | 372 |
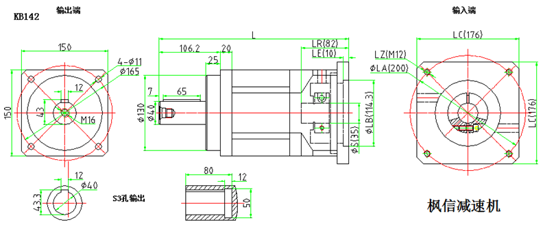
| 3000W | 200 | 4-M12 | 35(F7) | 80 | 114.3(H7) | 10 | 180 | 305 | 351 | 397 |
| 4000W | 215 | 4-M12 | 38/42(F7) | 115 | 180(H7) | 10 | 190 | 325 | 371 | 417 |
| 配备电机 | LA | LZ | S | LR | LB | LE | LC | L1(一级传动) | L2(二级传动) | L3(三级传动) |
| 2000W | 145 | 4-M8 | 22(F7) | 65 | 110(H7) | 10 | 150 | 280 | 326 | 372 |
| 3000W | 200 | 4-M12 | 35(F7) | 80 | 114.3(H7) | 10 | 180 | 305 | 351 | 397 |
| 4000W | 215 | 4-M12 | 38/42(F7) | 115 | 180(H7) | 10 | 190 | 325 | 371 | 417 |


