联系我们
荣誉资质
企业文化
生产设备
发展历程
采购
伺服电机步进电机专用减速机
精密蜗轮蜗杆减速机
精密伺服电机谐波减速机
精密斜齿换向器
四大系列减速机
伺服电机数控系统
回转式减速机
微型交流减速电机
齿轮减速电机
行星摆线针轮减速机
电动滚筒
步进电机
伺服电动缸
中空旋转平台
谐波减速器-RV机器人关节减速机
H/B系列大功率工业齿轮箱
MB系列摩擦式无极变速机可调速手调
SWL/QWL蜗轮丝杆升降机
FXTP系列大功率行星齿轮减速机
三相异步电动机
齿轮齿条
FXZD挖掘机专用减速机
FXZQ行走专业行星减速机
枫信滚珠丝杆
塔吊专用行星减速机
FXZY冶金专用行星减速机
卷扬机专用行星减速机
回转行业专用行星减速机
船舶专用行星减速机
枫信传动附件
AGV智能小车车轮
精密伺服压力机
公司新闻
行业新闻
常见问题
电话:021-69577328
021-69577152
15026720952
传真:021-69577150
手机:15026720952
15121132945
18964087328
13296071714
13564840659
邮箱:514765255@qq.com
qq:514765255
QQ点击下面
扫一扫下载三维图纸
扫一扫加微信技术与您沟通
为您提供选型报价服务
为您提供邮寄样本服务
为您提供电子样本服务
为您提供三维二维服务
为您服务是我们的荣幸
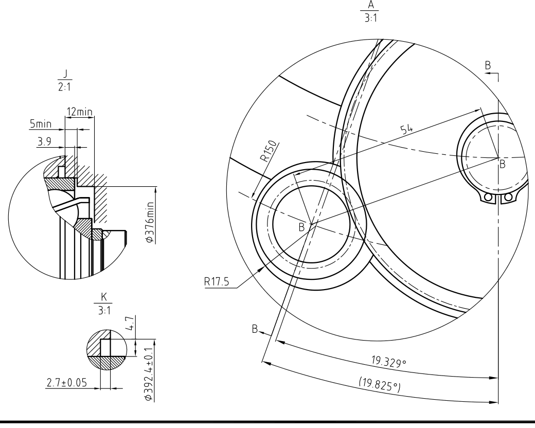
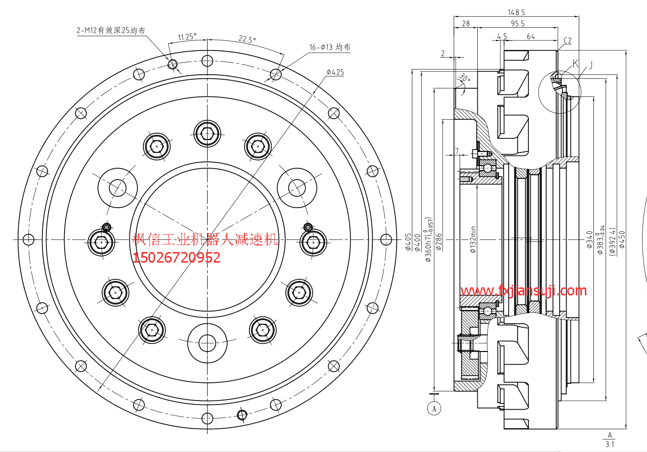
FXBX320CA外型安装图RV摆线关机机器人精密减速机配松下安川台达三菱西门子伺服电机