|
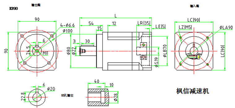
配备电机 |
LA |
LZ |
S |
LR |
LB |
LE |
LC |
L1(一级传动) |
L2(二级传动) |
L3(三级传动) |
|
400W |
70 |
4-M4 |
14F7 |
35 |
50(H7) |
5 |
90 |
165 |
188 |
211 |
|
750W |
90 |
4-M5 |
19F7 |
35 |
70(H7) |
5 |
90 |
165 |
188 |
211 |
|
1000W |
145 |
4-M18 |
19F7 |
55 |
95(H7) |
5 |
130 |
185 |
208 |
231 |





