|
配备电机 |
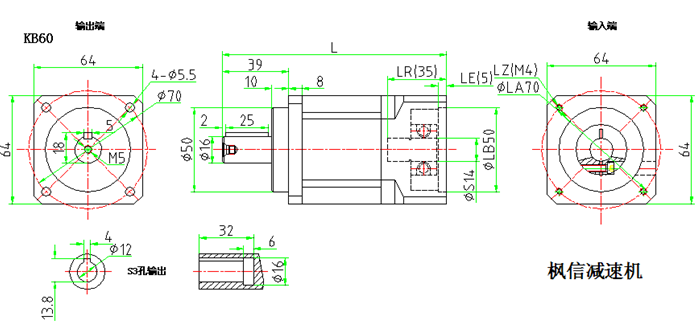
LA |
LZ |
S |
LR |
LB |
LE |
LC |
L1(一级传动) |
L2(二级传动) |
L3(三级传动) |
|
200W |
70 |
4-M4 |
11F7 |
35 |
50H7 |
5 |
64 |
126 |
145 |
164 |
|
400W |
70 |
4-M4 |
14F7 |
35 |
50H7 |
5 |
64 |
126 |
145 |
164 |





