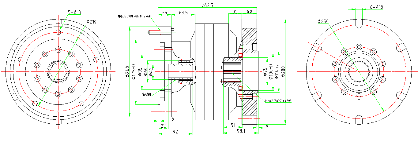
FXZY冶金专用行星减速机
FXZY型行星减速机结构简单,输入、输出端联接方式灵活,能适应搞高温下长期工作等。主要应用于扒渣机、分剪机、拉桥机、冷轧机及连轧机组等。现已与省内多家中央和国务院国资委直管的国有重要骨干企业建立长期良好的合作关系。n 输入转速:<1500rpm

FXZY冶金专用行星减速机系列的每一件
产品均由我们的技术人员根据您所使用的设
备、工况的不同要求量身定做。
n 减速比范围:4~512
n 输出扭矩:2-25kNm
产品特点:
u 结构合理
u 承载力矩大
u 耐高温、抗恶劣环境
u 拆装简单








