FXZT塔吊专用行星减速机
FXZT型行星减速机主要用于各类门座式起重机。浮式起重机旋转机构、行走机构,广泛用于大、中、小型建筑施工现场,深受建筑业广大同仁的青睐和赞赏,现已被国内重工机械行业的多家零头单位所采用。
由于产品输入转速较高,为保证热功率平衡,可采用油站润滑冷却。

FXZT塔吊专用行星减速机系列的每一件产品均由我们的技术人员根据您所使用的设备、工况的不同要求量身定做。
产品特点:
●结构合理 ●通用性高
●性能可靠 ●允许输入转速高
●体积小、重量轻 ●减速比大
使用范围
汽车吊、建筑起重机和输送设备、货运和工作电梯、装载和转载起重机、船舶和甲板起重机、拖车、救险车、船厂和港口起重机、海上平台起重机、集装箱龙门吊、平板运输车、风力发电的偏航变桨机构。
枫信行星圈系列产品(包括卷扬机、回转减速机、工业减速机)采用通用零配件,具有产量优势:标准零配件可节约成本,缩短交货时间,整个产品系列均采用可靠的设计,并且可以方便地提供机构备件。
规格和形式
三级同轴行星齿轮
传动比46至148
电动马达驱动
长型轴出轴
减速机通过扭力臂支撑固定
输入轴与输出轴的旋转方向相同
回转机构
输出扭矩1400到1550000Nm,传动比14到1007(其他传动比敬请垂询)。在计算输出扭矩时,注意加速、减速、风力及倾斜度。
设计标准
负载分组L2,工况等级T5,对应的M5驱动组设计,工作环境温度+20℃。
齿轮啮合
枫信行星凭借十年来在传动领域的积累,设计的最佳齿面,齿根受力状况及最小相对摩擦速度,外齿轮表面硬化处理并研磨;内齿轮调制、渗氮硬化。
润滑
减速机的所有齿轮和滚动轴承均采用浸油润滑。输出轴轴承采用长效润滑脂,无需更换,润滑剂的更换周期和润滑剂的选用请参见详细表格。油位可以通过油尺或者观察孔检查。

机械效率
各级传动的机械效率为98%,输出轴轴承及密封圈的机械效率为99%。
轴承
所有部件均采用滚动轴承支撑。行星轮采用滚针轴承或滚柱轴承。多数情况下调位滚柱轴承安装在输出轴壳体内,支撑小齿轮。
安装位置
垂直方向。其他方向需要先申明。
密封
输入端由径向轴密封圈和防尘圈密封,输出轴的密封采用
a) 双层径向密封圈
b) 输出轴壳体内加注润滑油脂
c) 再加径向密封圈
这样既可保证防止机油外漏,又可阻止油污或水进入。
驱动
通过液压马达或电动机的输入轴实现驱动,联接法兰或输入轴上方的花键参照DIN5480.
制动器
设计精良的液压释放弹簧-多摩擦片制动器,使旋转体保持 静止,或在紧急情况下进行紧急制动。这个制动器不可作为工作制动器使用。
释放压力 最小为15bar 最大为250bar
制动压力 最大允许值为0.5bar
需要更高制动压力时,请向我们咨询。
偏心距调整
为了准确地调整输出轴齿轮与齿圈之间的齿隙,相对于输出齿轮轴与固定法兰,驱动轴可以是偏心的,
偏心值 e=1.5-2.5
输出齿轮轴
齿轮变位系数X=+0.5
齿轮精度7级
材料42CrMo4V硬化齿轮钢。调制处理至700-900N/mm2齿轮硬度HRC50-57。
工作环境
允许油温-20℃至±70℃
在恶劣情况下,如盐水、含盐分空气、尘土、泥浆、石击、过高的气压、强烈震动、强烈冲击、环境温度、腐蚀1行介质等等,请事先联系我们。
|
型号 |
输入速度 |
额定输出扭矩N.m |
传动比(可选) |
输出鼓形齿参数 |
||
|
m |
Z |
X |
||||
|
FXZT320P |
﹤1500rpm
|
6300 |
147 / 150 / 155 / 180 / 195 |
10/12 |
12-16 |
0.5 |
|
FXZT370P |
8000 |
147 / 150 / 155 / 180 / 195 |
10/12 |
13-16 |
0.5 |
|
|
FXZT420P |
12000 |
150 / 155 / 180 / 195 |
12 |
13-16 |
0.5 |
|
|
FXZT500P |
16000 |
150 / 155 / 180 / 195 |
12 |
14-16 |
0.5 |
|
|
FXZT265 |
6000 |
141 / 177 / 164 |
10 |
12 |
0.32 |
|
|
FXZT350 |
12000 |
163 |
12 |
12 |
0.5 |
|
|
FXZT360 |
16000 |
160 |
12 |
14 |
0.5 |
|
|
FXZT420 |
20000 |
160 |
18 |
14 |
0.5 |
|
|
FXZT600 |
25000 |
195 |
18 |
14 |
0.5 |
|
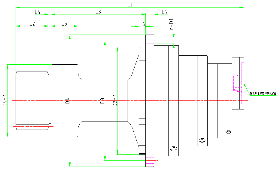
FXZT安装尺寸

|
|
产品型号 |
FXZT320P |
FXZT370P |
FXZT420P |
FXZT500P |
FXZT265 |
FXZT350 |
FXZT360 |
FXZT420 |
FXZT600 |
|
L1 |
减速机总长 |
553 |
681 |
670 |
945 |
522 |
697 |
894 |
966 |
1030 |
|
L2 |
输出齿宽 |
80 |
60 |
90 |
100 |
78 |
106 |
105 |
170 |
100 |
|
L3 |
躯体长 |
230 |
315 |
315 |
550 |
235 |
310 |
320 |
320 |
586 |
|
L4 |
轴肩宽 |
5 |
12 |
12 |
12 |
3 |
6 |
30 |
5 |
25 |
|
L5 |
输出端盖宽 |
66 |
70 |
60 |
100 |
51 |
64 |
90 |
115 |
100 |
|
L6 |
定位凸台厚度 |
16 |
30 |
35 |
35 |
20 |
28 |
20 |
20 |
40 |
|
L7 |
法兰厚度 |
20 |
25 |
25 |
35 |
24 |
20 |
156 |
35 |
20 |
|
D1 |
安装孔 |
12-Φ14 |
24-Φ18 |
24-Φ18 |
24-Φ18 |
45*55 |
12-Φ14 |
12-Φ14 |
12-Φ18 |
24-Φ22 |
|
D2 |
定位圆直径 |
260 |
295 |
330 |
415 |
160 |
290 |
330 |
400 |
510 |
|
D3 |
安装孔分布圆 |
290 |
340 |
380 |
465 |
|
325 |
350 |
450 |
565 |
|
D4 |
法兰直径 |
320 |
370 |
420 |
500 |
265 |
350 |
380 |
480 |
610 |
|
D5 |
输出定位直径 |
176 |
220 |
260 |
280 |
145 |
210 |
270 |
340 |
350 |
注:FXZT320P-FXZT500P为偏心输入








