FXZD挖掘专用行星减速机
FXZD型行星减速机是一种立、卧式安装均可,应用范围极广的新型减速机。主要用于市政工程、城市建设、环境保护及交通工程中的顶管掘进机,由于受掘进机内狭小空间限制,要求传动部分必须紧凑。
产品特点:
l 承载能力大
l 体积小,结构紧凑
l 机械性能稳定
l 效率高、噪音小
l 使用寿命长
技术参数
|
产品型号 |
级数 |
减速比 |
FXZD240 |
FXZD300 |
FXZD350 |
FXZD410 |
FXZD450 |
FXZD490 |
FXZD610 |
FXZD710 |
FXZD870 |
|
额定输出扭矩(Nm) |
1 |
4 |
3804 |
7898 |
18456 |
31218 |
46376 |
53944 |
103592 |
134492 |
236354 |
|
5 |
2649 |
6408 |
13746 |
22648 |
36739 |
41328 |
76643 |
129977 |
222526 |
||
|
8 |
1657 |
4486 |
10169 |
16197 |
23369 |
30117 |
60126 |
89213 |
156535 |
||
|
2 |
16 |
3804 |
7898 |
18456 |
31218 |
46376 |
53944 |
103592 |
134492 |
236354 |
|
|
20 |
3804 |
7898 |
18456 |
31218 |
46376 |
53944 |
103592 |
134492 |
236354 |
||
|
25 |
2649 |
6408 |
13746 |
22648 |
36739 |
41328 |
76643 |
129977 |
222526 |
||
|
32 |
3804 |
7898 |
18456 |
31218 |
46376 |
53944 |
103592 |
134492 |
236354 |
||
|
40 |
2649 |
6408 |
13746 |
22648 |
36739 |
41328 |
76643 |
129977 |
222526 |
||
|
64 |
1657 |
4486 |
10169 |
16197 |
23369 |
30117 |
60126 |
89213 |
156535 |
||
|
3 |
80 |
3804 |
7898 |
18456 |
31218 |
46376 |
53944 |
103592 |
134492 |
236354 |
|
|
100 |
3804 |
7898 |
18456 |
31218 |
46376 |
53944 |
103592 |
134492 |
236354 |
||
|
125 |
2649 |
6408 |
13746 |
22648 |
36739 |
41328 |
76643 |
129977 |
222526 |
||
|
160 |
3804 |
7898 |
18456 |
31218 |
46376 |
53944 |
103592 |
134492 |
236354 |
||
|
200 |
2649 |
6408 |
13746 |
22648 |
36739 |
41328 |
76643 |
129977 |
222526 |
||
|
256 |
3804 |
7898 |
18456 |
31218 |
46376 |
53944 |
103592 |
134492 |
236354 |
||
|
320 |
2649 |
6408 |
13746 |
22648 |
36739 |
41328 |
76643 |
129977 |
222526 |
||
|
512 |
1657 |
4486 |
10169 |
16197 |
23369 |
30117 |
60126 |
89213 |
156535 |
||
|
最大输出扭矩(Nm) |
1.5倍的额定输出扭矩T(Nm) |
||||||||||
|
输入速度 |
<1500rpm |
||||||||||

|
|
产品型号 |
FXZD240 |
FXZD300 |
FXZD350 |
FXZD410 |
FXZD450 |
FXZD490 |
FXZD610 |
FXZD710 |
FXZD870 |
||||||||||||||||||||||||||||||||||
|
|
级数 |
1 |
2 |
3 |
1 |
2 |
3 |
1 |
2 |
3 |
1 |
2 |
3 |
1 |
2 |
3 |
1 |
2 |
3 |
1 |
2 |
3 |
1 |
2 |
3 |
1 |
2 |
3 |
||||||||||||||||
|
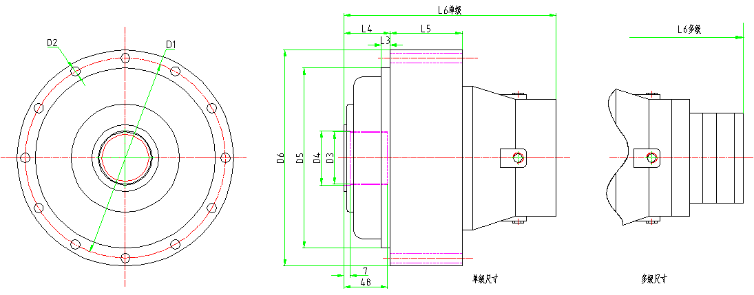
D1 |
安装孔分布圆 |
Φ222 |
Φ265 |
Φ314 |
Φ370 |
Φ424 |
Φ445 |
Φ560 |
Φ660 |
Φ810 |
||||||||||||||||||||||||||||||||||
|
D2 |
安装孔 |
12-Φ10.5 |
12-Φ13 |
12-Φ16.5 |
15-Φ17 |
18-Φ17 |
24-Φ19 |
24-Φ25 |
36-Φ28 |
36-Φ32 |
||||||||||||||||||||||||||||||||||
|
D3 |
花键 |
A58*53DIN5482 |
A70*64DIN5482 |
A80*74DIN5482 |
A100*94DIN5482 |
N120*3*9HDIN5480 |
N140*5*9HDIN5480 |
N160*5*9HDIN5480 |
N200*5*9HDIN5480 |
N240*5*9H DIN5480 |
||||||||||||||||||||||||||||||||||
|
D4 |
输出定位孔 |
Φ60H8 |
Φ72H8 |
Φ88H8 |
Φ108H8 |
Φ128H8 |
Φ142H8 |
Φ165H8 |
Φ202H8 |
Φ242H8 |
||||||||||||||||||||||||||||||||||
|
D5 |
定位凸台直径 |
Φ200f7 |
Φ240f7 |
Φ278f7 |
Φ340f7 |
Φ390f7 |
Φ410f7 |
Φ515f7 |
Φ600f7 |
Φ760f7 |
||||||||||||||||||||||||||||||||||
|
D6 |
外径 |
Φ240 |
Φ300 |
Φ350 |
Φ409 |
Φ452 |
Φ490 |
Φ610 |
Φ710 |
Φ870 |
||||||||||||||||||||||||||||||||||
|
L1 |
输出定位孔长度 |
7 |
11.5 |
7 |
10 |
10 |
12 |
40 |
38 |
50 |
||||||||||||||||||||||||||||||||||
|
L2 |
孔深 |
48 |
65 |
86 |
96 |
102 |
120 |
140 |
158 |
220 |
||||||||||||||||||||||||||||||||||
|
L3 |
定位凸台厚度 |
10 |
10 |
12 |
18 |
15 |
15 |
20 |
230.5 |
23.5 |
||||||||||||||||||||||||||||||||||
|
L4 |
轴端定位端面 |
51 |
50 |
83 |
95 |
109.5 |
100 |
152 |
185 |
255 |
||||||||||||||||||||||||||||||||||
|
L5 |
减速机躯体长 |
80 |
83 |
103.5 |
126 |
122 |
158.5 |
189 |
196 |
250 |
||||||||||||||||||||||||||||||||||
|
L6 |
减速机总长 (不含输入) |
235 |
286 |
335 |
259 |
282 |
346 |
329 |
356 |
446.5 |
338.5 |
361 |
452.5 |
380 |
418 |
504 |
399 |
439 |
505 |
521 |
632 |
699 |
608 |
766 |
859 |
815 |
1052 |
1163 |
||||||||||||||||








