主页
企业简介
产品中心
新闻资讯
解决方案
文档下载
技术文档
联系我们
工业齿轮箱
当前位置:
主页
>
技术文档
>
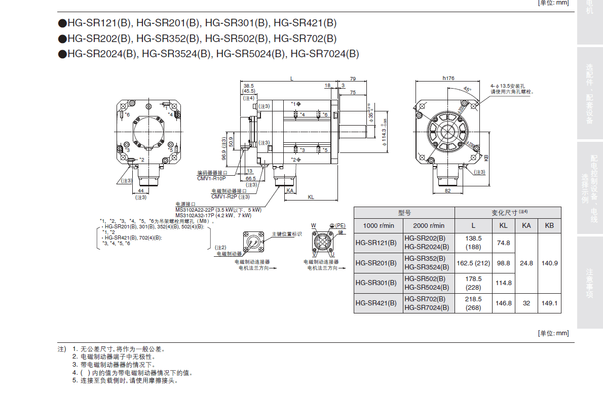
HG-SR502 HG-SR202 HG-SR702 HG-SR352 HG-SR502 HG-SR502三菱电
时间:
2016-04-22 09:55
点击:
次
信息分类
四大系列减速机
联系我们
联系电话:
021-69577328
021-69577152
021-69577132
图文传真:
021-69577150
电子邮箱:
514765255#qq.com
发送邮件时#改为@
伺服电机选型手册
更多>>
伺服电机选型资料
上海枫信传动机械有限公司 版权所有严禁复制 地址:上海市嘉定区外冈镇宝钱公路5000弄 邮箱:514765255#qq.com请将#改成@后发送
电话:021-69577328 , 021-69577152,021-69577132 手机:15026720952 传真:021-69577150 QQ:514765255 网站备案号:
沪ICP备11000371号
网站地图
友情链接(
申请加入
):
行星减速机
激光雕刻机
伺服电机蜗轮蜗杆减
伺服电机行星减速机
伺服行星减速机